DRZ - Forum

Das Forum von www.DRZ400S.de
Aktuelle Zeit: 10.04.2026 15:50

Alle Zeiten sind UTC + 1 Stunde [ Sommerzeit ]




Ein neues Thema erstellen Auf das Thema antworten  [ 43 Beiträge ]  Gehe zu Seite Vorherige  1, 2, 3, 4  Nächste
Autor Nachricht
 Betreff des Beitrags: Re: Freilauf kaputt?
BeitragVerfasst: 30.12.2011 18:27 
Offline
DRZ-Junior
Benutzeravatar

Registriert: 03.04.2007 11:38
Beiträge: 10
Kicker ist echt ne überlegung wert! Spart gewicht! Und TÜV sagt da nix ;)
Sind ca 200€ mit zoll und versand etc.
Neuer Freilauf kommt auf 175+ Versand.

So hat schon jemand nen Freilauf repariert? Müsste doch einfach nur die Reibscheibe abgenutzt sein oder? ..neue Reibscheibe rein und Fertig, ansonsten kann doch da nix kaputt gehn oder abnutzen.

Gruß

_________________
Wer Bremst........




...............Verliert an Geschwindigkeit.


Nach oben
 Profil  
Mit Zitat antworten  
 Betreff des Beitrags: Re: Freilauf kaputt?
BeitragVerfasst: 13.01.2012 23:40 
Offline
DRZ-Junior
Benutzeravatar

Registriert: 03.04.2007 11:38
Beiträge: 10
Hi

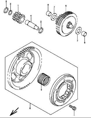
also, bevor wir den Freilauf wechseln..besteht die möglichkeit das nicht der Freilauf sondern die Anlasserkupplung kaputt ist?

Ich meine das teile rechts oben im Bild.

Hatte jemand schon probleme damit? Oder ist es sicher der Freilauf?

Gruß


Dateianhänge:
Dateikommentar: Teil rechts oben = Anlasserkupllung, rest = freilauf
Freilauf.JPG
Freilauf.JPG [ 33.35 KiB | 3383-mal betrachtet ]

_________________
Wer Bremst........




...............Verliert an Geschwindigkeit.
Nach oben
 Profil  
Mit Zitat antworten  
 Betreff des Beitrags: Re: Freilauf kaputt?
BeitragVerfasst: 14.01.2012 01:33 
Offline
DRZ-Platinuser
Benutzeravatar

Registriert: 22.08.2008 19:44
Beiträge: 2324
Wohnort: Regensburg
ehm...

will mich ja nicht aufdrängen ;)

aber dieses ganze zeugs auf dem microfiche da hab ich hier seit 1,5 jahren hier rumliegen ;)

_________________
-------------------------------------------------------------
>>Für mein Motorrad mache ich die Beine breit<<
-------------------------------------------------------------


Nach oben
 Profil  
Mit Zitat antworten  
 Betreff des Beitrags: Re: Freilauf kaputt?
BeitragVerfasst: 03.05.2012 00:16 
Offline
DRZ-Stamm-User
Benutzeravatar

Registriert: 28.05.2009 23:40
Beiträge: 64
Wohnort: Wattenscheid
@all: Habe auch im kalten Zustand dieses Geräusch und den Effekt, dass nur selten mehr als 2 - 3 Hübe zusammenkommen.
Dann erfolgt das Hot-Wheels-Geräusch!
Und wenn das nicht zum Anspringen ausreicht, dann schiebe ich Sie an.
Da reicht der geringste Hügel und sie springt nach 5 m an (eigentlich top - Batterie ist neu).
Wenn sie dann einmal gelaufen ist (da reichen schon 400-500 m), springt sie an wie eine eins.

Kann sich das Verhalten jemand erklären?

Gruß UNI


Nach oben
 Profil  
Mit Zitat antworten  
 Betreff des Beitrags: Re: Freilauf kaputt?
BeitragVerfasst: 03.05.2012 13:50 
Offline
DRZ-Power-User
Benutzeravatar

Registriert: 04.06.2011 21:38
Beiträge: 142
Wohnort: Kirchheim unter Teck
Springt sie manchmal an?
Oder nur mit anschieben?
Schon mal was am Anlasser rumgeschraubt?

Bei mir hat sich das ja dann so aufgeklärt, dass einfach der induktor verdreht eingebaut war und der anlasser somit in die andere richtiung gedreht hat. =hotwheelsauto geräusch.

:popcorn: :popcorn:

_________________
*SuMoSü*


Nach oben
 Profil  
Mit Zitat antworten  
 Betreff des Beitrags: Re: Freilauf kaputt?
BeitragVerfasst: 03.05.2012 16:37 
Offline
DRZ-Stamm-User
Benutzeravatar

Registriert: 28.05.2009 23:40
Beiträge: 64
Wohnort: Wattenscheid
@ Greenmonster:

1. Kalter Motor:

Anlasser nimmt den Motor mit, aber nur für 1 Sekunde, dann Hot-Wheels-Geräusch
Manchmal reicht das - manchmal nicht.
Wenn ich sie anschieben muss springt sie super an nach wenigen Metern eingkuppelt.

2. Warmer Motor (oder bereits direkt nach erfolgreichem Anschieben und wenigen Metern Fahrtstrecke):

Anlasser zieht normal durch !


Irgendeine Idee :aua: ?

Wie gesagt - Batterie ist eine Woche alt.

:roll: UNI


Nach oben
 Profil  
Mit Zitat antworten  
 Betreff des Beitrags: Re: Freilauf kaputt?
BeitragVerfasst: 03.05.2012 17:21 
Offline
Moderator
Benutzeravatar

Registriert: 12.01.2009 20:39
Beiträge: 6457
Wohnort: südlich Frankfurt
wie fing dein Problem an; schleichend oder von eben auf jetzt....

Ferndiagnosen sind natürlich kaum machbar aber es könnte bei dir der Freilauf sein der nicht richtig eingreift - schau mal in den Fiches von ronayers da wird dir die Funktion schnell klar

btw - hast du die Möglichkeit selbst zu schrauben oder musst du in die Werkstatt? dann würde ich sagen aufschrauben und anschauen


Nach oben
 Profil  
Mit Zitat antworten  
 Betreff des Beitrags: Re: Freilauf kaputt?
BeitragVerfasst: 03.05.2012 18:31 
Offline
DRZ-Stamm-User
Benutzeravatar

Registriert: 28.05.2009 23:40
Beiträge: 64
Wohnort: Wattenscheid
Kann ich den Deckel des Gehäuses vor dem Anlasser einfach so öffnen?
Dann würde ich da natürlich mal reinschauen
Da läuft doch nix im Ölbad, oder?
Oder Moped nach rechts legen?


Nach oben
 Profil  
Mit Zitat antworten  
 Betreff des Beitrags: Re: Freilauf kaputt?
BeitragVerfasst: 03.05.2012 19:24 
Offline
Moderator
Benutzeravatar

Registriert: 12.01.2009 20:39
Beiträge: 6457
Wohnort: südlich Frankfurt
den Deckel kannst du aufmachen, aber das reicht nur für einen oberflächlichen Blick.... aber besser als nichts.
Der Rest der Mechanik sitzt tiefer in den Innereien ....

Wenn du dir unsicher bist schreib den The Kid an wie du vorgehen kannst - bzw evtl kann er dir einen Tip geben was sinnvoll ist

_________________
dauerhaft Rennpause, oder Comeback Supermoto "IDM" 2023? - Ü40-Cup #8 - nur, die DRZ400E K2 ist nicht mehr - man fährt jetzt Grün..


Nach oben
 Profil  
Mit Zitat antworten  
 Betreff des Beitrags: Re: Freilauf kaputt?
BeitragVerfasst: 07.05.2012 23:13 
Offline
DRZ-Stamm-User
Benutzeravatar

Registriert: 28.05.2009 23:40
Beiträge: 64
Wohnort: Wattenscheid
Also den Deckel habe ich mal geöffnet.
Zu sehen ist nix. Zum Glück habe ich die Zette nach rechts geneigt
und trotzdemein Ölwännchen platziert.
In dem Gehäuse stand ca. 1cm hoch Öl (ist doch korrekt, oder?)
Die Kupplung (ich nehme an, daß sie das war) konnte
ich so entnehmen und wieder einsetzen.
Sieht alles ganz ordentlich aus.
Habe alles wieder zusmmengesetzt.

Anlassverhalten ist gleich geblieben.

Nur - was mich erstaunt - wenn die DRZ warm ist, dann funktioniert
der Anlassvorgang tadellos.

Hat noch einer eine Idee?
Kann es auch am Öl liegen?
Deswegen hatte ich z.B. schon einmal an der Kupplung (Getriebe) meiner DR350 Spass.


Nach oben
 Profil  
Mit Zitat antworten  
 Betreff des Beitrags: Re: Freilauf kaputt?
BeitragVerfasst: 09.05.2012 12:57 
Offline
DRZ-Power-User
Benutzeravatar

Registriert: 04.06.2011 21:38
Beiträge: 142
Wohnort: Kirchheim unter Teck
Also, soweit ich mich erinnern kann, war bei meiner kein Öl hinterm Anlasser-Deckel. Aber ich kannst dir am WE genau sagen, denn dann muss ich meine auch mal wieder auseinandernehmen. Ich versuch dann gleich noch bilder zu machen. :nut:

Schön verrückt bleiben, Nati

_________________
*SuMoSü*


Nach oben
 Profil  
Mit Zitat antworten  
 Betreff des Beitrags: Re: Freilauf kaputt?
BeitragVerfasst: 10.05.2012 06:50 
Offline
DRZ-Premium-User
Benutzeravatar

Registriert: 16.06.2010 20:52
Beiträge: 343
Wohnort: Schwarzwald
GreenMonster hat geschrieben:
dann muss ich meine auch mal wieder auseinandernehmen


Was ist denn los mit der kleinen?

_________________
I have never seen a dirt bike stuck on the street but I have seen a street bike stuck in the dirt


Nach oben
 Profil  
Mit Zitat antworten  
Beiträge der letzten Zeit anzeigen:  Sortiere nach  
Ein neues Thema erstellen Auf das Thema antworten  [ 43 Beiträge ]  Gehe zu Seite Vorherige  1, 2, 3, 4  Nächste

Alle Zeiten sind UTC + 1 Stunde [ Sommerzeit ]


Wer ist online?

Mitglieder in diesem Forum: Bing [Bot] und 2 Gäste


Du darfst keine neuen Themen in diesem Forum erstellen.
Du darfst keine Antworten zu Themen in diesem Forum erstellen.
Du darfst deine Beiträge in diesem Forum nicht ändern.
Du darfst deine Beiträge in diesem Forum nicht löschen.
Du darfst keine Dateianhänge in diesem Forum erstellen.

Suche nach:
Gehe zu:  
Powered by phpBB® Forum Software © phpBB Group
Deutsche Übersetzung durch phpBB.de